Конструктивное решение. Фундамент

Фундамент

– подземная конструкция, передающая нагрузки от здания на грунт.

В данном здании запроектирован ленточный бетонный фундамент.

Размеры тела и подошвы фундамента приняты конструктивно (рис. 1,2,3)

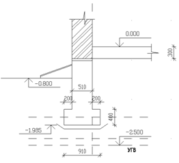
Поскольку здание построено на крупнообломочных грунтах, то глубина заложения фундамента не зависит от уровня подземных вод, значит, принимаем минимальную глубину заложения.

Расчёт глубины заложения фундамента

Глубина заложения фундамента зависит от глубины промерзания

грунта, но для скальных и крупнообломочных грунтов, песков гравелистых, крупных и средней крупности, глубина заложения не зависит от указанных величин, но должна быть не менее (0,7м) 0,5м; а если в здании есть подвал, то на 0,5 – 0,7м ниже пола подвала.

1. Вначале определим нормативную глубину промерзания грунта по формуле:

dfn = do ∙ √Mt ,

где Mt – это безразмерный коэффициент, численно равный сумме абсолютных значений среднемесячных отрицательных температур, принимаемый по СниП – 2.01.01-82 (для г. Запорожье: -11.4)

Mt = [(-7.3)+(-6.9)+(-1.7)+(-4.8)] = 20.7

√Mt = 4.5

do – это величина, принимаемая равной, м для: суглинков и глин – 0,23; супесей, песков мелких и пылеватых – 0,28; песков гравелистых, крупных и средней крупности – 0,3; крупнообломочных – 0,34.

dfn = 0,34 ∙ √20.7 = 0.34×4.5 = 1.53

2. Определяем расчетную глубину промерзання грунта:

df = dfn ∙ Kh,

где Kh – коэффициент, учитывающий влияние теплового режима здания на глубину промерзания грунта у фундаментов наружных стен (без подвала Kh = 0,65; с подвалом Kh = 0,4 ).

df = 1.53×0.65 = 0.99м

1. Конструирование внешней несущей стены 510мм

2. Конструирование внутренней стены 380мм

3. Конструирование самонесущей стены 510мм

Для защиты стен здания от капель влаги используют горизонтальную гидроизоляцию между фундаментом и стеной. В качестве гидроизоляции в проекте используется слой рубероида толщиной 20 мм.

Цоколь здания не выступает и не западает, образуя со стеной здания единую плоскость.

Цоколь облицовывается цементно-песчаным раствором на основе гидрофобного цемента и выполняется покраска, что придает зданию художественную выразительность.

По всему периметру здания выполняется отмостка шириной 900мм с уклоном i=0,01. Она предназначена для защиты фундамента от дождевых и талых вод, проникающих в грунт близ стен здания.

Обоснование метода монтажа и определение размеров монтажных захваток
Конструкции одноэтажного промышленного здания монтируются стреловыми кранами на гусеничном или пневмоходу. При строительстве обычно применяют смешанный метод монтажа. Первым комплектом монтируются колонны т.к. необходим технологический перерыв для набора прочности бетоном не менее 70% в стакане колонны, и ...

Определение дальности перемещения грунта и объемов работ по планировке земляного полотна, уплотнение и разравнивание грунта
Определение дальности перемещения грунта При возведении насыпи из привозного грунта средняя дальность перевозки 1cр определяем по формуле: ; (2.16) где 1к - расстояние от карьера до точки примыкания к строящемуся участку дороги, км; L - длина участка дороги, который обслуживает данный карьер, км. ...

Виды водопропускных труб
Водопропускные трубы могут быть из различных материалов: каменные, бетонные, железобетонные, металлические и др. Каменные и бетонные трубы не получили большого распространения на автомобильных дорогах в силу их конструктивных особенностей: имеют поперечные сечения в виде полуциркульных или подъемистых свод ...

Главное меню


Copyright © 2025 - All Rights Reserved - www.smartarchitect.ru