Тепловой расчёт двухтрубного теплопровода канальной прокладки участка СМ

Наружные диаметры трубопроводов на этом участке равен 0,273 м

Определяем наружные диаметры изоляции

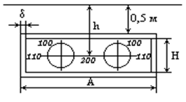
Определяем предварительные размеры канала и вычерчиваем схему

Выбираем стандартный размер канала

A=1800 мм

H=900мм

Определяем коэффициент теплопроводности изоляции

Определяем сопротивление слоя изоляции:

Определяем термическое сопротивление теплоотдаче от поверхности изоляции трубопровода:

где

коэффициент теплоотдачи в канале, принимается равным 11 Вт/(м²·˚С).

Определяем термическое сопротивление теплоотдаче от воздуха к поверхности канала:

Определяем термическое сопротивление грунта:

где

теплопроводность грунта, принимаем равной 1,5 Вт/(м²·˚С).

Определяем температуру воздуха в канале:

Определяем тепловые потери:

Сравниваем линейную плотность теплового потока с нормативной плотностью теплового потока:

Определяем линейные тепловые потери теплопровода:

где

l – длинна теплопровода, м

Определяем падение температуры теплоносителя при его движении по теплопроводу:

где

G – расход теплоносителя, кг/с

изобарная теплоемкость теплоносителя, кДж/(кг·˚С)

˚С

˚С

Анализ подземных источников и уровня грунтовых вод
Высокий уровень залегания грунтовых вод обычно отрицательно сказывается на различных сооружениях, расположенных на такой территории. Также различные типы растительности не могут произрастать на территории с высоким залеганием грунтовых вод. На объекте проектирования, согласно условию задания, отсутствуют в ...

Теплотехнический расчёт ограждающих конструкций. Расчет наружной стены здания
Стена изображена схематически на рис. 1: Рисунок 1 – Наружная стена Согласно таблице 4.1 СНБ 2.01.01 расчётная температура для жилых зданий составляет tв =180С, относительная влажность воздуха 55%. В соответствии с приложением А табл. А.1 СНБ 2.04.01 значение коэффициентов теплопроводности и теплоустой ...

Расчет и конструктивное решение опор и элементов выбранного варианта моста. Описание варианта, общие конструктивные решения
Схема моста 24+63.6+4х24, полная длинна 184,7 м, габарит Г-8+2Ч0.75 м. В качестве пролетных строений используются балочные железобетонные пролетные строения с полной длиной 24 м, типовой проект серии 3.503.1–81.0–4, опорные части резиновые марки РОЧН30х40х7,8 по ТУ 2539–008–0014 9334–96 «Части опорные рези ...

Главное меню


Copyright © 2026 - All Rights Reserved - www.smartarchitect.ru